首页
公司介绍
新闻中心
组织机构
服务理念
售后服务
联系我们
产品中心
jtgk.png

产品中心

Q41F德标法兰球阀

您的位置:阀门 - 球阀 - Q41F德标法兰球阀 更新时间:2024-09-03 09:09:48
Q41F德标法兰球阀
    • 质量安全:压力、材质、密封等全方位检测确保质量过关!
    • 价格比较:在相同品质的情况下,厂里直销,更具有优势!
    • 交货快捷:常规产品现货供应,生产加工销售一条龙服务!
      导读:Q41F德标法兰球阀用于截断或接通管路中的介质,选用不同的材质,可分别适用于水、蒸汽、油品、液化气、天然气、煤气、硝酸、醋酸、氧...

    • 产品描述
    • 在线询价
    • 技术咨询
    Q41F德标法兰球阀Q41F德标法兰球阀

    Q41F德标法兰球阀用于截断或接通管路中的介质,选用不同的材质,可分别适用于水、蒸汽、油品、液化气、天然气、煤气、硝酸、醋酸、氧化性介质、尿素等多种介质。

    产品名称: 德标法兰球阀 产品型号: Q41F
    公称通径: DN15~DN250 结构形式: 球形
    公称压力: 10K-20K 连接方式: 法兰
    适用温度: -20~+100℃~+550℃ 驱动方式: 手动、蜗轮、气动、电动
    阀体材质: 铸钢、不锈钢 制造标准: 国标GB、德国DIN、美国API、ANSI
    适用介质: 水、蒸汽、燃气、气体及腐蚀性液体等 生产厂家: 上海凯利科阀门有限公司

    产品说明

    Q41F德标法兰球阀用于截断或接通管路中的介质,选用不同的材质,可分别适用于水、蒸汽、油品、液化气、天然气、煤气、硝酸、醋酸、氧化性介质、尿素等多种介质。德标球阀具有很小的转动力矩就能关闭严密。完全平等的阀体内腔为介质提供了阻力很小、直通的流道。德标球阀的主要特点是本身结构紧凑,易于操作和维修,适用于水、溶剂、酸和天然气等一般工作介质,而且还适用于工作条件恶劣的介质,如氧气过氧化氢、甲烷和乙烯等。 

    产品标准

    设计标准Design: DIN 3357 EN 12516-1
    壁厚标准Wall Thickness: ASME B16.34 EN 12516-1
    防火标准Fire Safe: API 307 ISO 10497
    结构长度Face to Face: DIN 3202
    法兰标准End Flange: DIN EN 1092-1
    检测标准/Inspection & Testing: DIN 3230 EN 12266

    产品特点

    阀杆带有防静电设置 Ante-Static Devices For Ball-Stem-Body
    阀杆带有防脱出装置设计 Blow-out Proof stem
    钢球球槽上有泄压孔设计 Pressure Balance Hole in Ball Slot
    采用Iso 5211 支架安装执行器平台设计
    Built in ISO 5211 Bracket Mount For Easy Automation

    主要材料表

    名称 材质
           ANSI/JIS/DIN ANSI/JIS/DIN ANSI/JIS/DIN
    阀体 A351-CF8M/SCS14A/1.4408 A351-CF8/SCS13A/1.4308 A216-WCB/SCPH2/1.0619
    阀盖 A351-CF8M/SCS14A/1.4408 A351-CF8/SCS13A/1.4308 A216-WCB/SCPH2/1.0619
    SUS316  SUS304
    六角螺母 A194-8
    弹性垫片 SUS304
    密封圈 PTFE/VITON
    阀座 PTFE/RPTFE/PPL
    阀杆 SUS316  SUS304
    O型圈 FKM(VITON)
    止推垫 PTFE/RPTFE
    填料 PTFE/GRAFOIL
    蝶簧 SUS304
    阀杆螺母 A194-8
    填料压盖 SUS304
    手柄 SUS201
    定位杆 SUS304
    内六角圆柱头螺钉 SUS304
    六角螺母 A194-8
    双头螺栓 A193-B8

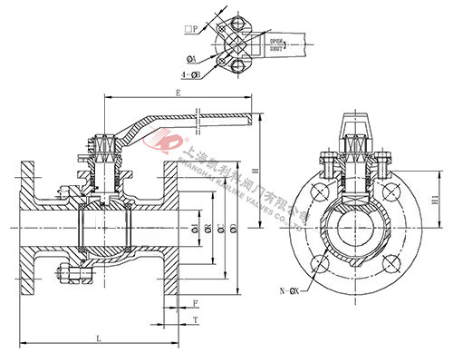
    外形结构图

    外形尺寸表

    Size PN d L R C D H H1 E F T □P ø A ØB N ØX ISO 5211
    DN15 10-40 15 115 45 65 95 78 34 150 2 14 11 42 4 4 14 F04
    DN20 10-40 20 120 58 75 105 80 35 150 2 16 11 42 4 4 14 F04
    DN25 10-40 25 125 68 85 115 88 45 150 2 16 11 42 4 4 14 F04
    DN32 10-40 32 130 78 100 140 100 50 170 2 16 14 50 5 4 18 F05
    DN40 10-40 38 140 88 110 150 122 60 230 3 16 17 70 6 4 18 F07
    DN50 10-40 50 150 102 125 165 130 68 230 3 18 17 70 6 4 18 F07
    DN65 10-16 65 170 122 145 185 148 86 230 3 18 17 70 6 4 18 F07
    DN80 10-16 78 180 138 160 200 167 96 305 3 20 22 102 8 8 18 F10
    DN100 10-16 100 190 158 180 220 188 117 305 3 20 22 102 8 8 18 F10
    DN125 10-16 125 325 188 210 250 246 141 500 3 22 22 125 10 8 18 F12
    DN150 10-16 150 350 212 240 285 288 172 650 3 22 27 125 10 8 22 F12
    DN200 10-16 200 400 268 295 340 329 213 850 3 24 27 125 10 12 22 F12
    DN250 10-16 250 450 320 355 405 396 255 1400 3 26 36 140 14 12 26 F14
     

    声明:【Q41F德标法兰球阀】规格型号、结构尺寸由上海凯利科阀门有限公司提供,如何选择适用的Q41F德标法兰球阀产品,使之在工艺控制中安全可靠、经济适用,可致电我司销售部门及技术部门,我们将在最短的时间内为您解答!

    上一篇:Q41F德标球阀 下一篇:Q41F铸铁球阀

    

    Copyright ©2011-2023 上海凯利科阀门有限公司,版权所有。 京ICP证000000号

    销售电话:021-31001158

    手机号码:13816746668 陈国辉/经理

    电子邮件:klkvalves@126.com@126.com

    主营产品:球阀,闸阀,蝶阀,截止阀,止回阀,调节阀

    本周热门:不锈钢阻火器全天候呼吸阀气动球阀气动蝶阀气动刀闸阀气动调节阀电动球阀电动蝶阀电动刀闸阀电动调节阀不锈钢球阀不锈钢闸阀不锈钢截止阀不锈钢止回阀不锈钢电磁阀高压电磁阀高压球阀波纹管截止阀

    官方网址:www.fm058.com