



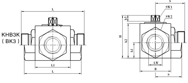
KHB3K高压三通球阀
KHB3K高压三通球阀有T型和L型。T型能使三条正交的管道相互联通和切断第三条通道,起分流、合流作用。L型只能连接相互正交的两条管道,不能同时保持第三条管道的相互连通,只起分配作用。
| 产品名称: | 高压三通球阀 | 产品型号: | KHB3K |
| 公称通径: | DN6~DN50 | 结构形式: | 球形 |
| 公称压力: | 1.6Mpa~32.0Mpa | 连接方式: | 法兰、内螺纹、外螺纹 |
| 适用温度: | ≤170ºC | 驱动方式: | 手动、电动、气动 |
| 阀体材质: | 铸钢、不锈钢 | 制造标准: | 国标GB、德国DIN、美国API、ANSI |
| 适用介质: | 水、油、气体、液体 | 生产厂家: | 上海凯利科阀门有限公司 |




|
简略型号 |
PN(bar) |
DN |
LW |
RA |
d1 |
i |
L |
L1 |
B |
H |
h1 |
h2 |
h3 |
SW1 |
SW2 |
S |
|
KHB3K-M16×1.5 |
500 |
06 |
06 |
11 |
M16×1.5 |
11 |
69 |
40 |
26 |
45 |
13.5 |
33 |
8 |
09 |
22 |
27.5 |
|
KHB3K-M22×1.5 |
500 |
08 |
08 |
16 |
M22×1.5 |
12 |
76 |
42 |
32 |
49 |
16 |
36 |
10 |
09 |
27 |
33 |
|
KHB3K-M27×1.5 |
500 |
10 |
10 |
20 |
M27×1.5 |
12 |
76 |
42 |
32 |
49 |
16 |
36 |
10 |
09 |
27 |
33 |
|
KHB3K-M30×1.5 |
400 |
16 |
15 |
24 |
M30×1.5 |
13 |
84 |
48 |
38 |
61 |
19 |
45 |
11 |
09 |
32 |
37 |
|
KHB3K-M36×2 |
315 |
20 |
20 |
30 |
M36×2 |
15 |
103 |
60 |
48 |
70 |
25 |
55 |
11 |
12 |
41 |
45.5 |
|
KHB3K-M42×2 |
315 |
25 |
23 |
35 |
M42×2 |
18 |
116 |
65 |
57 |
79 |
28.5 |
64 |
11 |
12 |
50 |
54 |
|
KHB3K-M52×2 |
315 |
32 |
32 |
40 |
M52×2 |
20 |
149 |
84 |
75 |
101 |
37.5 |
84 |
12 |
14 |
60 |
70 |
|
KHB3K-M60×2 |
315 |
40 |
38 |
45 |
M60×2 |
22 |
174 |
91 |
85 |
112 |
42.5 |
95 |
12 |
14 |
70 |
84 |

|
简略型号 |
PN(bar) |
DN |
LW |
RA |
d1 |
i |
L |
L1 |
B |
H |
h1 |
h2 |
h3 |
SW1 |
SW2 |
S |
|
KHB3K-G1/8 |
500 |
04 |
06 |
/ |
G1/8 |
10 |
69 |
40 |
26 |
45 |
13.5 |
33 |
8 |
09 |
22 |
35 |
|
KHB3K-G1/4 |
500 |
06 |
06 |
/ |
G1/4 |
14 |
69 |
40 |
26 |
45 |
13.5 |
33 |
8 |
09 |
22 |
35 |
|
KHB3K-G3/8 |
500 |
10 |
10 |
/ |
G3/8 |
14 |
72 |
42 |
32 |
49 |
16 |
36 |
10 |
09 |
27 |
36 |
|
KHB3K-G1/2 |
500 |
13 |
12 |
/ |
G1/2 |
16 |
83 |
48 |
35 |
49 |
17 |
40 |
10 |
09 |
30 |
40 |
|
KHB3K-G1/2 |
400 |
16 |
15 |
/ |
G1/2 |
16 |
83 |
48 |
38 |
61 |
19 |
45 |
11 |
09 |
32 |
42 |
|
KHB3K-G3/4 |
315 |
20 |
20 |
/ |
G3/4 |
18 |
95 |
60 |
48 |
70 |
25 |
55 |
11 |
12 |
41 |
49 |
|
KHB3K-G1 |
315 |
25 |
25 |
/ |
G1 |
21 |
113 |
65 |
57 |
79 |
28.5 |
64 |
11 |
12 |
50 |
56.5 |
|
KHB3K-G 11/4 |
315 |
32 |
32 |
/ |
G 11/4 |
22 |
110 |
84 |
75 |
101 |
37.5 |
84 |
12 |
14 |
60 |
62.5 |
|
KHB3K-G 11/2 |
315 |
40 |
38 |
/ |
G 11/2 |
24 |
130 |
91 |
85 |
112 |
42.5 |
95 |
12 |
14 |
70 |
61 |
|
KHB3K-G2 |
315 |
50 |
48 |
/ |
G2 |
26 |
140 |
100 |
105 |
131 |
52.5 |
112 |
12 |
14 |
80 |
62.5 |

|
简略型号 |
PN(bar) |
DN |
LW |
RA |
d1 |
i |
L |
L1 |
B |
H |
h1 |
h2 |
h3 |
SW1 |
SW2 |
S |
|
KHB3K-NPT1/8 |
500 |
04 |
06 |
/ |
NPT1/8 |
10 |
69 |
40 |
26 |
45 |
13.5 |
33 |
8 |
09 |
22 |
35 |
|
KHB3K-NPT1/4 |
500 |
06 |
06 |
/ |
NPT1/4 |
14 |
69 |
40 |
26 |
45 |
13.5 |
33 |
8 |
09 |
22 |
35 |
|
KHB3K-NPT3/8 |
500 |
10 |
10 |
/ |
NPT3/8 |
14 |
72 |
42 |
32 |
49 |
16 |
36 |
10 |
09 |
27 |
36 |
|
KHB3K-NPT1/2 |
500 |
13 |
12 |
/ |
NPT1/2 |
16 |
83 |
48 |
35 |
49 |
17 |
40 |
10 |
09 |
30 |
40 |
|
KHB3K-NPT1/2 |
400 |
16 |
15 |
/ |
NPT1/2 |
16 |
83 |
48 |
38 |
61 |
19 |
45 |
11 |
09 |
32 |
42 |
|
KHB3K-NPT3/4 |
315 |
20 |
20 |
/ |
NPT3/4 |
18 |
95 |
60 |
48 |
70 |
25 |
55 |
11 |
12 |
41 |
49 |
|
KHB3K-NPT1 |
315 |
25 |
25 |
/ |
NPT1 |
21 |
113 |
65 |
57 |
79 |
28.5 |
64 |
11 |
12 |
50 |
56.5 |
|
KHB3K-NPT 11/4 |
315 |
32 |
32 |
/ |
NPT 11/4 |
22 |
110 |
84 |
75 |
101 |
37.5 |
84 |
12 |
14 |
60 |
62.5 |
|
KHB3K-NPT 11/2 |
315 |
40 |
38 |
/ |
NPT 11/2 |
24 |
130 |
91 |
85 |
112 |
42.5 |
95 |
12 |
14 |
70 |
61 |
|
KHB3K-NPT2 |
315 |
50 |
48 |
/ |
NPT2 |
26 |
140 |
100 |
105 |
131 |
52.5 |
112 |
12 |
14 |
80 |
62.5 |
声明:【KHB3K高压三通球阀】规格型号、结构尺寸由上海凯利科阀门有限公司提供,如何选择适用的KHB3K高压三通球阀产品,使之在工艺控制中安全可靠、经济适用,可致电我司销售部门及技术部门,我们将在最短的时间内为您解答! |