BQ71F对夹式保温球阀
BQ71F对夹式保温球阀具有良好的保温保冷特性,且阀门的通径与管径一致,同时又能有效降低管路中介质热量损失。主要用于石油、化工、冶金、制药、食品等各类系统中,以输送常温下会凝固的高粘度介质。主要型号、保温型:手动(BQ71F)、气动(BQ671F)、电动(BQ971F)
|
产品名称: |
对夹式保温球阀 |
产品型号: |
BQ71F |
|
公称通径: |
DN15~DN200 |
结构形式: |
球形 |
|
公称压力: |
1.6Mpa~2.5Mpa |
连接方式: |
对夹式 |
|
适用温度: |
≤350ºC |
驱动方式: |
手动、电动、气动 |
|
阀体材质: |
铸钢、不锈钢 |
制造标准: |
国标GB、德国DIN、美国API、ANSI |
|
适用介质: |
水、油、气体、液体 |
生产厂家: |
上海凯利科阀门有限公司 |
产品说明
BQ71F对夹式保温球阀具有良好的保温保冷特性,且阀门的通径与管径一致,同时又能有效降低管路中介质热量损失。主要用于石油、化工、冶金、制药、食品等各类系统中,以输送常温下会凝固的高粘度介质。主要型号、保温型:手动(BQ71F)、气动(BQ671F)、电动(BQ971F)
产品性能
适用介质:水、油、气及某些腐蚀性液体
温度范围:-20-232℃-350℃
公称通径:DN15-100mm1/2“-4“
公称压力:PN1.0-2.5MPa CLASS:150lb、JIS:10K
主要零件材料
|
序号NO |
零件名称 |
材质 |
|
1 |
阀体 |
不锈钢CF8M/CF8 |
碳钢WCB |
|
2 |
球 |
不锈钢316/304 |
不锈钢SS304 |
|
3 |
密封垫 |
聚四氟乙烯PTFE |
聚四氟乙烯PTFE |
|
4 |
阀杆 |
不锈钢316/304 |
不锈钢SS304 |
|
5 |
填料 |
不锈钢PTFE |
聚四氟乙烯PTFE |
|
6 |
定位锁 |
不锈钢304 |
不锈钢SS304 |
|
7 |
手柄 |
不锈钢304 |
不锈钢SS304 |
|
8 |
阀杆螺母 |
不锈钢304 |
不锈钢SS304 |
|
9 |
填料压盖 |
不锈钢304 |
不锈钢SS304 |
|
10 |
手柄套 |
塑料Plastic |
塑料Plastic |
|
11 |
密封瓶帽 |
不锈钢316/304 |
不锈钢SS304 |
|
12 |
垫圈 |
聚四氟乙烯PTFE |
聚四氟乙烯PTFE |
安装示意图
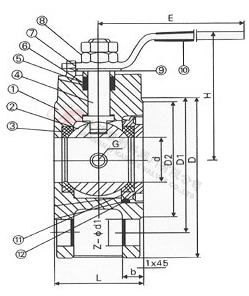
外形结构图

主要外形及连接尺寸表
|
尺寸 |
15/1/2“ |
20/3/4” |
25/1“ |
32/11/4" |
40/11/2" |
50/2“ |
65/21/2" |
80/3” |
100/4“ |
125/5” |
150/6” |
200/8“ |
|
d |
15 |
19 |
23.5 |
30 |
36 |
45 |
58 |
67 |
76 |
100 |
125 |
195 |
|
L |
32 |
38.5 |
45 |
55 |
62 |
72 |
95 |
120 |
145 |
200 |
225 |
275 |
|
D |
95 |
105 |
115 |
135 |
145 |
160 |
180 |
195 |
215 |
245 |
280 |
335 |
|
D1 |
65 |
75 |
85 |
100 |
110 |
125 |
145 |
160 |
180 |
210 |
240 |
295 |
|
D2 |
45 |
55 |
65 |
78 |
85 |
100 |
120 |
135 |
155 |
185 |
210 |
265 |
|
H |
62 |
70 |
79 |
86 |
92 |
102 |
158 |
172 |
187 |
200 |
240 |
278 |
|
E |
110 |
125 |
135 |
150 |
150 |
180 |
250 |
300 |
350 |
650 |
840 |
1000 |
|
b |
14 |
14 |
16 |
16 |
18 |
20 |
22 |
24 |
24 |
26 |
26 |
28 |
|
z-d1 |
4-14 |
4-14 |
4-14 |
4-18 |
4-18 |
4-18 |
4-18 |
8-18 |
8-18 |
8-18 |
8-23 |
12-20 |
|
l |
2 |
2 |
2 |
3 |
3 |
3 |
3 |
3 |
3 |
3 |
3 |
3 |
|
2-G |
3/8 |
3/8 |
3/8 |
1/2 |
1/2 |
1/2 |
1/2 |
1/2 |
1/2 |
1/2 |
1/2 |
|
声明:【BQ71F对夹式保温球阀】规格型号、结构尺寸由上海凯利科阀门有限公司提供,如何选择适用的BQ71F对夹式保温球阀产品,使之在工艺控制中安全可靠、经济适用,可致电我司销售部门及技术部门,我们将在最短的时间内为您解答! |